| | |
| SP6IDF | 28.03.2012 19:56:39 |

Grupa: Użytkownik
QTH: Opole, JO80wq
Posty: 233 #906001 Od: 2011-3-15
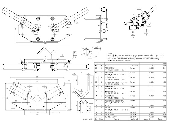
Ilość edycji wpisu: 7 | Witam Przesyła dla zainteresowanych konstrukcję dipola obrotowego, opracowaną wspólnie SQ6NDJ, jaką dotychczas z powodzeniem stosowałem. Jako promienniki użyłem fabrycznych promienników do CB, o średnicy podstawowej rurki 25mm. Dipol złożyłem z kątem rozwarcia ramion wynoszącym 120 stopni, dodatkowe otwory w podstawie umożliwiają montaż ramion z kątem rozwarcia 180 stopni. Przy kącie 120stopni zauważalnie wyższa jest skuteczność przy dalekich łącznościach. Przy skróceniu promienników możliwe jest stosowanie ww. dipola na inne pasma. Dipol posiada własności kierunkowe. Koszt wykonania wraz z zakupem promienników wyniósł około 200,- zł. Można korzystać z dokumentacji. Post wysyłam jako test widoczności dołączonego linku.
_________________ Pozdrawiam Gracjan |
| | |
| Electra | 28.03.2026 16:10:20 |

 |
|
| | |
| usuniety8_02_2021 | 28.03.2012 20:01:17 |


Grupa: Użytkownik
QTH: Suszec JO90JB
Posty: 9221 #906008 Od: 2008-10-24
Ilość edycji wpisu: 3 |
https://lh3.googleusercontent.com/-Xf4I7xUFo3c/T3NE0re9eDI/AAAAAAAAAAw/C73Bs9icaYc/s576/ANT-SP6IDF.jpg
Gracjan - rysunek powinien być większy, będzie bardziej czytelny |
| | |
| usuniety8_02_2021 | 28.03.2012 20:04:04 |


Grupa: Użytkownik
QTH: Suszec JO90JB
Posty: 9221 #906011 Od: 2008-10-24
| Wstawiaj obrazki tu i masz od razy linki na Forum
http://obrazki.elektroda.net/ |
| | |
| SP6IDF | 28.03.2012 20:04:16 |

Grupa: Użytkownik
QTH: Opole, JO80wq
Posty: 233 #906012 Od: 2011-3-15
| Ok dzięki Janek. Teraz mogę dołączyć dokumentację 2xdelta (aktywny reflektor) o którą prosiło kilka osób.  _________________ Pozdrawiam Gracjan |
| | |
| SP8LBK | 28.03.2012 20:13:14 |

Grupa: Użytkownik
QTH: Kraśnik KO10CX
Posty: 5389 #906019 Od: 2010-8-3
Ilość edycji wpisu: 1 | Gracjanie Dla pełni szczęścia zrób jeszcze zrzuty z ekranu po analizatorze antenowym. Oczywiście z pomiarem jak najbliżej punktu zasilania anteny. _________________ Vy 73 Andrzej SP8LBK |
| | |
| SP6IDF | 28.03.2012 20:38:33 |

Grupa: Użytkownik
QTH: Opole, JO80wq
Posty: 233 #906051 Od: 2011-3-15
| Janku poprawiłem link, zgodnie z Twoją propozycją. _________________ Pozdrawiam Gracjan |
| | |
| sp9mav | 28.03.2012 21:13:49 |

Grupa: Użytkownik
Posty: 668 #906110 Od: 2009-4-26
| Czyli H422 Comet w wersji jednopasmoewj. Blacha mocująca "zerżnięta" chyba toczka w toczkę z Comet-a. Byłoby ciekawiej dorobic choćby jeden trap i zrobic ten dipol choćby dwupasmowy. Pytanie natury technicznej , po co wytrawny kreślarz przywołuje te wszystkie normy i zużycia jednostkowe by na górze napisać ze częsci złączne sa z chromoniklu?. Drugie ciekawsze pytanie jak w warunkach amatorskich zaginana była blach chromoniklowa o grubości 2mm na długości 20 cm.............. nie lepiej było wykorzystać kształtownik i wyciąć jedną ściankę?. Pytanie trzecie ,to co najistotniejsze zostało jakby przemilczane, mianowicie kształtki które izolują elementy od blachy bazy mowa o poz 5, mozna by wykorzystać gotowe lub napisać ze to kawałek węza ogrodowego. Nie czepiam sie, tylko rysunek jest po to by kazdy mógł taka antenę zrobic i powinien wystarczyć za cały opis, tutaj zostalismy zasypani straszliwą ilościa zupełnie niepotrzebnych szczególików z pominięciem istotnych spraw.Generalnie jestem za bo dipol to dobra antena. _________________ Janusz SP9MAV |
| | |
| usuniety8_02_2021 | 28.03.2012 21:28:20 |


Grupa: Użytkownik
QTH: Suszec JO90JB
Posty: 9221 #906130 Od: 2008-10-24
| tylko rysunek jest po to by kazdy mógł taka antenę zrobic i powinien wystarczyć za cały opis,
I zrobi bez problemu, jak tworzywo wykorzysta np. złączki z rur PP. Szczegóły są ważne.
Drugie ciekawsze pytanie jak w warunkach amatorskich zaginana była blach chromoniklowa o grubości 2mm na długości 20 cm
Łatwe do zrobienia. Większość z nas na pewno posiada imadła lub imadełka, w kątowniki i żaden problem blachę wygiąć. A jak nie ma to inni pomogą.
|
| | |
| sp9mav | 28.03.2012 21:53:53 |

Grupa: Użytkownik
Posty: 668 #906156 Od: 2009-4-26
Ilość edycji wpisu: 1 | Janek nie rozumiesz mnie, jak ktoś ma pojęcie to nie potrzebuje zadnych rysunków bo to jest tylko dipol z rurek a nie z drutu. Jeśli jednak robimy dokumentacje to róbmy ja "zjadliwie" po co mi promienie zaginania zwykłego "u-bolta" jak nie wiem jak i z czego zrobic izolatory? Kazdy taki rysunek przed publikacja powinien ogladać jakiś mechanik by poprawic to co nie istotne i dodać to czego brakuje. Np te nieszczęsne "u-bolty" wystarczy zastosować kawałek pręta gwintowanego M8 sprzedawanego na metry i zycie staje sie łatwiejsze. Chciałbym zobaczyć blachę chromoniklową 2mm jak ja zagniesz w imadełku. Jakbyś robił prześlij mi zdjęcie. A tak na zakończenie to jaki tu jest postep lub róznica w stosunku do takiego samego dipola opisanego przez SP2LIG? co by nie powiedzieć bardziej "zjadliwie" dla zwykłych niemechaników. _________________ Janusz SP9MAV |
| | |
| sq9oub | 28.03.2012 22:03:54 |


Grupa: Użytkownik
QTH: JO90GA
Posty: 4086 #906169 Od: 2011-4-11
Ilość edycji wpisu: 1 | Imadełko to ma szansę się rozlecieć na puzle to fakt. Ale dipol obrotowy to fajna rzecz. _________________ Jarek "nawet papier toaletowy się rozwija" Tel: 100011110001110101010110101101 http://sq9oub.pl.tl |
| | |
| SP6IDF | 28.03.2012 22:04:26 |

Grupa: Użytkownik
QTH: Opole, JO80wq
Posty: 233 #906174 Od: 2011-3-15
| Szanowny Panie SP9MAV centralna blacha nie jest "zerżnieta" z podstawy, którą Pan przywołujesz. Rysunek został zamieszczony, jako jedna z propozycji wykonania anteny dipol obrotowy. Dodam ww. antena, zasilana jest przez balun 1:1. Bez problemu wytrzymała wichury jakie miały miejsce od roku 2009. To, że stal kształtową można wykorzystać, nie zaprzeczam, podałem rozwiązanie skuteczne, nie generujące dużych kosztów, przyjemne wizualnie i najważniejsze, skuteczne. _________________ Pozdrawiam Gracjan |
| | |
| Electra | 28.03.2026 16:10:20 |

 |
|
| | |
| sp9mav | 28.03.2012 22:09:25 |

Grupa: Użytkownik
Posty: 668 #906180 Od: 2009-4-26
| SP6IDF pisze:
Szanowny Panie SP9MAV centralna blacha nie jest "zerżnieta" z podstawy, którą Pan przywołujesz. Rysunek został zamieszczony, jako jedna z propozycji wykonania anteny dipol obrotowy. Dodam ww. antena, zasilana jest przez balun 1:1. Bez problemu wytrzymała wichury jakie miały miejsce od roku 2009. To, że stal kształtową można wykorzystać, nie zaprzeczam, podałem rozwiązanie skuteczne, nie generujące dużych kosztów, przyjemne wizualnie i najważniejsze, skuteczne.
Ale ja Tobie nie wróg kazda inicjatywa jest godna pochwały. Co do wiatrów trudno by sie 5 metrów rurki miało rozlecieć na wietrze. Jeśli nie rozumiesz o co mnie biega to juz nie umiem inaczej wyjaśnić. _________________ Janusz SP9MAV |
| | |
| SP6IDF | 28.03.2012 22:17:19 |

Grupa: Użytkownik
QTH: Opole, JO80wq
Posty: 233 #906190 Od: 2011-3-15
| Jeżeli Pan publicznie, Panie SP9MAV, sugeruje mi jakieś operacje, typu "zerżnięta" z jakiegoś wyrobu, to proszę zastanowić się, przed napisaniem postu, czy Pan mnie nie obraża. _________________ Pozdrawiam Gracjan |
| | |
| sp9mav | 28.03.2012 22:23:13 |

Grupa: Użytkownik
Posty: 668 #906196 Od: 2009-4-26
| Publicznie ośmielę sie powiedzieć raz jeszce ze dziwnym trafem Twoje mocowanie jest identyczne z anteną H422 Comet dipol obrotowy . Dziwnym trafem takie same zasady mocowania i takie same wyprofilowanie blachy a także kształt ścięć. Nie mam już tej anteny bo bym sprawdził wymiary. Jak to przypadki chodzą po swiecie    To jak z wynalezieniem żarówki dwóch ludzi w jednym czasie z tym ze jeden wynalazł żarówkę która swieci. _________________ Janusz SP9MAV |
| | |
| SP6IDF | 28.03.2012 22:33:52 |

Grupa: Użytkownik
QTH: Opole, JO80wq
Posty: 233 #906207 Od: 2011-3-15
| A tak, a propos, życzył bym sobie i myślę, że ułatwiło by ogromnie konstruowanie anten, zamieszczanie rysunków opisujących wszystkie poczynania z materią. Nie jednokrotnie skróci to drogę do zakończenia z sukcesem projektu (dot. doborów materiałów, proszę też uwzględniać uwagi autorów podpisanych SP9MAV). Rysunek jest typu open surce, może być powielany i modernizowany nawet w celach zarobkowych. Jeżeli ktoś produkował i będzie sprzedawał takie anteny w cenie 200,- zł, to będziemy Wszyscy zadowoleni. Wreszcie skończą się konstrukcje z przywołanego węża ogrodowego. Mnie i kolegę ta konstrukcja kosztowała tylko 200,-zł. _________________ Pozdrawiam Gracjan |
| | |
| SP6IDF | 28.03.2012 22:49:03 |

Grupa: Użytkownik
QTH: Opole, JO80wq
Posty: 233 #906218 Od: 2011-3-15
| Ponadto, ze zdjęć jakie znalazłem w internecie ramiona w przywołanej przez SP9MAV antenie mają kąt rozchylenia zbliżony do 90stopni, w proponowanej na rysunku kąt wynosi 120stopni. Proponowana blacha węzłowa, bezspornie, ma inny kształt, inne cięcia, inne otworowanie i inne wymiary. Czy mercedes podobny jest do BMW, tak bo ma 4 koła.  _________________ Pozdrawiam Gracjan |
| | |
| sp9mav | 28.03.2012 22:51:23 |

Grupa: Użytkownik
Posty: 668 #906219 Od: 2009-4-26
Ilość edycji wpisu: 2 | W pełni popieram i proponuje zacząć od siebie. Uzupełnienie ze antena jest zasilana przez balun przeczy temu co napisałeś wyżej. Proszę wiec uzupełnic rysunek o konstrukcję balunu a wywalić te nieistotne tabelki z normami maszynowymi. Cały czas sie zastanawiam na co wydaliście te 200 zł, obstawiam ze 50 zł na materiały a 150 zł na piwo. _________________ Janusz SP9MAV |
| | |
| SP6IDF | 28.03.2012 23:02:36 |

Grupa: Użytkownik
QTH: Opole, JO80wq
Posty: 233 #906229 Od: 2011-3-15
| Zestawienie kosztów: W domu tylko pozostało skręcenie anten. Komplet został zlecony do wykonania w zakładzie ślusarskim + zakup gotowych promienników do anten CB (polecam firmę z okolic BB) - razem 200,- zł. Po skręceniu anteny, długość promienników ustaliliśmy za pomocą MAX4. Pełne zadowolenie. _________________ Pozdrawiam Gracjan |
| | |
| sp9mav | 28.03.2012 23:19:45 |

Grupa: Użytkownik
Posty: 668 #906252 Od: 2009-4-26
| Było napisać ze to jest rysunek dla warsztatu celem wykonania uchwytu. Nie mam w takim razie zadnych uwag. _________________ Janusz SP9MAV |
| | |
| SP6CC | 28.03.2012 23:36:57 |


Grupa: Użytkownik
QTH: Opole JO80WP
Posty: 1120 #906265 Od: 2009-9-27
| Dla pełnej jasności, mocowanie anteny Comet H422, to wyraźnie inna konstrukcja:

_________________ vy 73 - Andrzej
|
| | |
| Electra | 28.03.2026 16:10:20 |

 |
|